Have you ever been so careful with typing in numbers, colors and voltages for each line you drew that you wished a program could automate this error-prone process somehow? Or… sometimes an additional sensor was added to the design, now you have to renumber all the wires…manually—could this be less tedious?
The answer is YES, with SOLIDWORKS Electrical.
Eliminate the Tedious
Now, let’s see how SOLIDWORKS Electrical enables you to draw feature-rich wires with ease and how you can save time by tackling wire number revisions with only a click of a button.
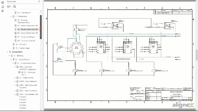
First, wire style manager. This is the place where you create and define REUSABLE wiring information such as color, gauge and numbering scheme. I can organize wires in a systematic manner to minimize errors while maintaining design flexibility.

Next, I am going to draw some wires on the schematic. SOLIDWORKS Electrical allows you to draw multiple wires at the same time. By selecting a wire group previously defined in the wire style manager, I can now confidently draw these feature-rich lines without worrying about missing wire information. Oh and by the way, the program is smart enough to know I want these wires trimmed. Why not drop a circuit breaker too?
Ok, now I am ready to number a few wires. The “number new wires” command will take care of this in just a few clicks. Numbering wires does not simply add numbers to wires; it creates wire marks along the lines to show me just the information I need, formatted with fully customizable formulas. Processes like this ensure consistent documentation and save a ton of time.

Wait, did I just forget to connect a few more wires to the top motor? Ah, that’s an easy fix. Now I need to renumber the wires so I can get an incremental order from top down. This is when SOLIDWORKS Electrical’s “renumber wires” command saves me from manually relabeling the wires.
As you may have noticed, the wire style of the protection lines and the lines between the motor and the terminal strips look a bit different. These have to do with bridges and cables, but these are topics for another day…

Truly being able to create wires in STYLE and condense HOURS of wire number revisions into only a few clicks with SOLIDWORKS Electrical, you will be the next engineer hero. While SOLIDWORKS Electrical is all effortless at editing wires, it also comes with powerful report generation to let you convey your design intents with extra clarity. Hey, you can even up the game with SOLIDWORKS Electrical 3D to translate your 2D schematics directly to 3D SOLIDWORKS models. What would you have accomplished with all this power and time saved?

