SOLIDWORKS Inspection offers an integrated add-in to streamline and automate the creation of inspection sheets (FAI, AS9102, PPAP, etc.). By leveraging your existing 2D drawings, you can easily create their quality documents in just minutes.
However, we realize that not all businesses are the same and some customers might need manual controls. For example, in some instances, only a few characteristics in the entire drawing need to be inspected or a user wants to balloon the characteristics in a specific order. These are two scenarios that, while possible before SOLIDWORKS 2017, can reduce a user’s productivity.
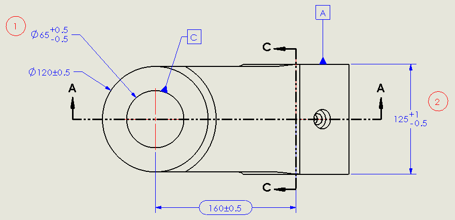
In SOLIDWORKS Inspection 2017, you now have the option to manual balloon your drawings by choosing “Manual” as the extraction method.

Additional options allow you to define if chamfer dimensions, notes or hole callout should be automatically separated in multiple characteristics.

Then, you can simply select the “Add Characteristic” feature and manually click on each characteristic you want to inspect.


You can define exactly which dimension or hole callout will be characteristic #1, characteristic #2, etc. To remove a characteristic, you simply need to click, one more time, on the dimension.

Finally, you can even box select or lasso multiple characteristics to speed things up. Some users will, for example, box select the entire drawing before manually removing a couple of unwanted characteristics.


To know more about the other great enhancements introduced in SOLIDWORKS Inspection 2017, please take a look at the launch website or contact your nearest reseller.

